DT4U.com - Doing Things For You - Home Page
DTSystems
Audio Design and Supply Services
DTSystems Home Page


DTSystems MM8+2 Mixer.....
Picture.....Block Diagram.....Layout Diagram

This mixer has been designed to fill a specific function and has a unique blend of facilities not found in any other single commercial product. It is extremely flexible and robust in design in the true tradition of "Fit and Forget". Whilst feature rich, the amount of control presented to the user is strictly limited such that inexperienced operators can achieve excellent results without messing up the settings for future users.

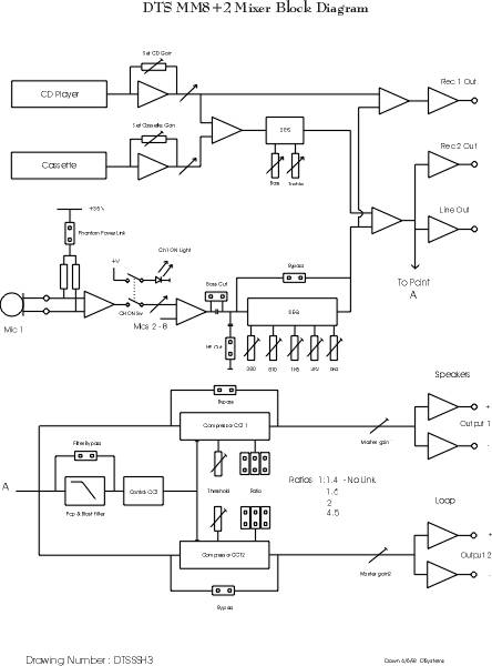
Speech Inputs

Eight balanced microphone inputs are provided each with link selectable phantom power (+35V). These are transformerless and extremely quiet (studio grade input circuits) with a front panel mounted noiseless On/Off switch to Enable/Disable any channel. A red LED confirms each active circuit. Rising clamp connections on the Printed Circuit Board (PCB) securely connect incoming microphone wires - note that this is a hard-wired (ie permanent) unit and has been designed this way for two main reasons:

Music Inputs

Two music inputs are provided labelled CD and Tape on the front panel though they can be connected to any line level unbalanced input. Both inputs have stereo phono sockets mounted directly on the main PCB to speed up connections. Note that this effectively gives you four line level inputs since each input has L+R connections. Both music signals are connected to the front panel mounted Bass and Treble controls - this is the only tonal adjustment accessible to the operator and was designed for situations where a speech signal direct from cassette tape is of poor quality and needs to be sweetened up to increase clarity.

A further refinement on the Cassette input is to provide additional circuitry to eliminate the possibility of feedback through the tape path. If the operator puts the cassette deck into record and then by mistake winds up the Tape input control, normally a wild oscillation occurs that may not have an obvious explanation to him. On this design, record output 1 is connected to all sources EXCEPT itself - so feedback through this path is eliminated and all that will happen is a strange echo effect as the newly recorded audio gets put back into the system after a slight delay.

5EQ

Speech signals are mixed together and the sent into a 5 band constant Q equaliser section which allows the system to be "tuned" to the acoustic environment. Detailed technical information about this circuit is available... Info...The whole equaliser section can be link bypassed if a flat response is required.

Dynamic Controls

Two independent signal compression circuits are available (based on the excellent AD SSM2120 VCA) which can be used independently or bypassed as required. This feature allows the MM8+2 mixer to provide both a normal speech output and an inductive loop output with compression to meet the BS requirements, whilst using a standard (and much cheaper) stereo amplifier to drive both the speakers and loop system (voltage drive). A pop and blast dynamic filter sub-section is also link selectable. Available compression ratios (:1) are: 1.4, 1.6, 2 and 4.5. Threshold control is variable to -20dB. Each compressor output (or bypass link) then feeds the master output circuits.

Outputs

Two high level balanced outputs are provided each with a master gain control. These outputs (normally main speaker system and inductive loop) have a delayed switch on facility to avoid any transients during power up, and a quick off function to achieve the same result when the unit is switched off.

Two recording outputs are provided at line level on stereo (L+R) phono connectors. Note that circuit 1 will not provide a signal from the Tape input as described earlier (see the section Music Input). A further unbalanced line level output can be connected to a telephone dial in unit for remote monitoring purposes.

Special Functions

Power Supply - The front panel mounted Mains On/Off switch not only controls the MM8+2 mixer, but also an internal mains distribution system. These are three rising clamp connectors which can be used to control all the ancillary equipment (6A Max). So turning the MM8+2 power switch On can be made to control all the other connected equipment (CD, Cassette, Power Amp etc.) thus avoiding confusion. This facility has an internal surge arresting device to avoid rupturing the mains supply fuse. A front panel LED illuminates to confirm that the dc +/-15V supplies are OK.

Below the mains On/Off switch is a facilities switch with two options, both of which need to be specified at the time of ordering.

T stands for timer and is normally set to 5 minutes. This is a crystal controlled microprocessor option and highly accurate. Its function is to ring a remote bell precisely 5 minutes after the switch is operated (used for timing talks at conferences). Additional circuits can be configured to give green, amber and red outputs to operate during this timing interval as required. Pressing the switch (a momentary contact type) for longer than 2 seconds rings the bell for 0.75 seconds and is a manual override. Of course, the timer can be reset at any time during its operation by depressing the T switch. A front panel mounted LED (normally extinguished) follows the status of the timing circuit - Green for operating, Amber flash for last 4 seconds and Red for time up.

C stands for confidentiality and is for locations where the spread of sound has to be precisely controlled because the information presented is of a sensitive nature. Operating this switch can do a number of things under microprocessor control:

Each option is link defeatable - ie you may select the precise mix of options required.....Special Options

The unit is constructed in a 2U high (3") 19" rack mounted case and finished in black. All rotary controls are of the Conductive Plastic type and rated for many thousands of cycles.